Vorheriger AbschnittInhaltsverzeichnis


3 Schaubilder

3.1 Übersicht Mikroprozessorboard

3.1.1 Blockschaltbild MPB

GIF (100 dpi), Postscript (landscape)

3.1.2 Detailansicht MPB

GIF (100 dpi), Postscript (landscape)

3.2 Timing-Diagramme

3.2.1 Speicher lesen

GIF (100 dpi), Postscript (landscape)

3.2.2 Speicher schreiben

GIF (100 dpi), Postscript (landscape)

3.3 Blockschaltbilder

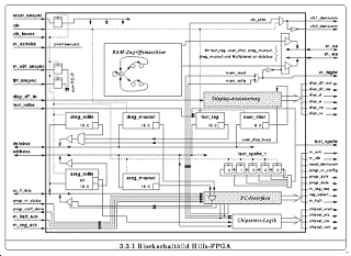
3.3.1 Blockschaltbild Hilfs-FPGA

GIF (100 dpi), Postscript (landscape)

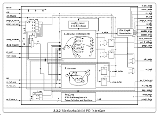
3.3.2 Blockschaltbild PC-Interface

GIF (100 dpi), Postscript (landscape)

3.3.3 Blockschaltbild Display-Steuerung

GIF (100 dpi), Postscript (landscape)

3.4 Zustandsautomaten

3.4.1 Automaten im PC-Interface

3.4.1.1 Erster Automat

GIF (100 dpi), Postscript (landscape)

3.4.1.2 Zweiter Automat

GIF (100 dpi), Postscript (landscape)

3.4.2 Automaten zur Ansteuerung von Display und Speicher

GIF (100 dpi), Postscript (landscape)

3.5 Abhängigkeiten der Automaten

3.5.1 Automaten im PC-Interface

3.5.1.1 Erster Automat

GIF (100 dpi), Postscript (landscape)

3.5.1.2 Zweiter Automat

GIF (100 dpi), Postscript (landscape)

3.5.2 Automaten zur Ansteuerung von Display und Speicher

GIF (100 dpi), Postscript (landscape)


Vorheriger AbschnittInhaltsverzeichnis